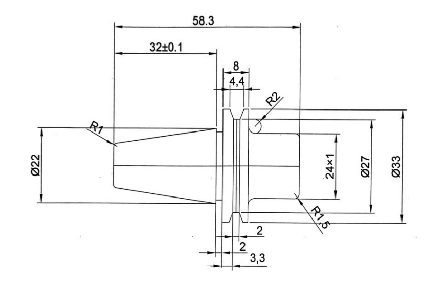
- Tool holder 7: 24 taper accuracy ≦AT3
- The inner cone is tested with a standard pneumatic measuring instrument, and the contact area ratio of the big end is above 90%.
- The inner cone runout of the tool holder body is ≦0.003.
- The tool shank has the same taper and is equipped with a 0.008mm collet. The highest comprehensive accuracy does not exceed 0.015mm.
- The threads of the tool holder and the nut are graded to the 4H standard, open from end to end and stop from end to end.
- Dynamic balancing: G2.5 /30000RPM.
- Material: 40Cr.
- Hardness: HRC56-60 degrees.
- Carburizing depth: >0.8



